統合小学校建設について(令和8年3月)
最終更新日:2026年3月31日
統合小学校建設の現在の状況について
事業の見直しに伴い、令和7年5月16日に新たに建設委員会を発足しました。
これまでに8回の建設委員会を開催し、統合小学校の建設について協議を重ねてきました。
主な協議内容は、次のとおりです。
・統合小学校の開校時期について
開校時期は令和12年4月を予定しています。令和7年度から令和8年度までを設計期間、令和9年度から令和11年度までを校舎およびグラウンドの建設期間とする計画です。
・建設費について
建設費の見直しを行い、当初予定額から約10~15%の削減を目標として、計画的に事業を進めています。
・校舎の規模、向きおよび形状について
見直し前の延床面積5,900㎡を、約4,300㎡に縮小する計画です。(約27%の削減)
・教室の配置について
普通教室は全学年とも2階に配置する計画です。特別支援教室(自閉症・情緒障害)は普通教室への移動に配慮した位置に配置し、特別支援教室(知的障害)は保健室に隣接して配置します。
家庭科および図画工作は、授業時数の関係から中学校との併用が可能であるため、今回の統合小学校校舎には家庭科室および図画工作室を設けない計画としています。
・校章のデザインについて
令和6年度に募集したデザインの中から、建設委員会による一次審査を実施しました。
今後、選考委員会を設置し、最終的に1点を決定する予定です。
・放課後児童クラブの施設について
放課後児童クラブの施設については、統合小学校の敷地内に建設する方向で検討を進めています。
基本設計業務の入札結果について
業務名 令和7年度川上小学校建設基本設計業務委託
入札方式 最低価格落札方式
入札開札日 令和7年7月23日
落札者 株式会社アーキプラン
予定価格 31,000,000円(消費税抜き)
落札金額 2,800,000円(消費税抜き)
予定価格とは、入札を行う際に、契約金額の上限としてあらかじめ設定する価格です。
落札価格とは、予定価格の範囲内で最も有利な条件を提示した者と契約する金額をいいます。最低価格落札方式では、最も低い金額を提示した者が落札者となります。
配置図

外観イメージ

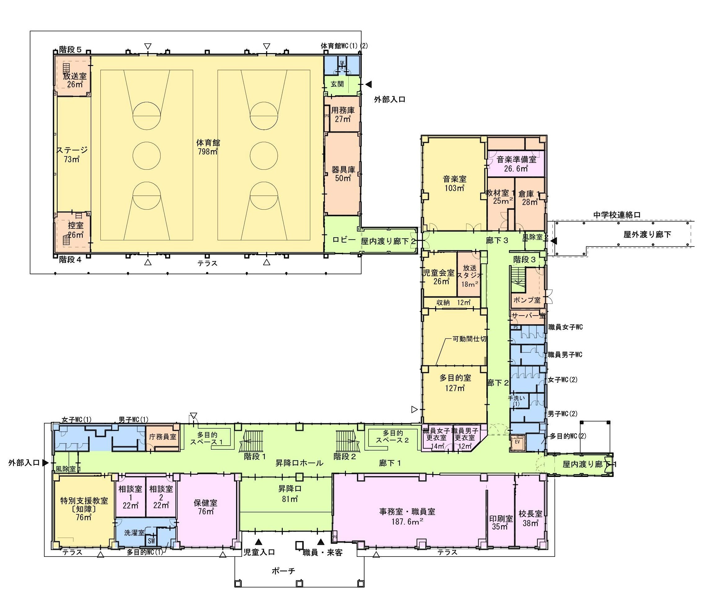
校舎の特徴について
フレキシブルな学習環境:クラス単位の授業に加え、学年合同の活動やグループ学習にも柔軟に対応できるよう、多目的室や少人数教室を配置しています。
動のゾーン(北西)体育館を独立して配置することで、休み時間や放課後の利用時においても、学習エリアへスポーツ活動の音や活気が干渉しにくい計画としています。
静のゾーン(2階南側) 普通教室、図書室、理科室などを集約し、学びに必要な機能をワンフロアに配置しています。移動時間を短縮するとともに、落ち着いた学習環境を確保します。
管理ゾーン(1階南側) 事務室・職員室を昇降口(玄関)の近くに配置し、来客対応や児童の登下校を常に見守ることができる「セキュリティの要」となる計画としています。
特別支援教室の配置:知的障害や自閉症・情緒障害のある児童が安心して学習できる環境を確保しつつ、他の教室からもアクセスしやすい位置に配置しています。
バリアフリーへの配慮:エレベーター(EV)の設置や多目的トイレの配置により、車椅子利用者や介助が必要な児童にも配慮した設計としています。
相談室の設置:保健室に隣接して相談室を2室配置し、メンタルケアやプライバシーに配慮した環境を整えています。
中学校との接続:1階に中学校連絡口および屋外渡り廊下を設け、中学校校舎との円滑な往来が可能な計画としています。
図書館:壁で囲まないオープンな図書スペースを計画し、児童が日常的に本に親しみやすく、授業や調べ学習にも柔軟に活用できる空間としています。
平面図(1階)

平面図(2階)

お問い合わせ先
- 統合小学校推進室
- 電話番号:0267-97-2600